Home 大买家采购 采购激光焊接

采购激光焊接2018-11-14 16:03:50

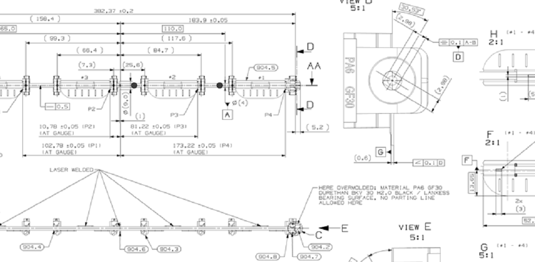
某外资一级采购滤清器挡片激光焊接,年总成需求量10万

项目介绍:

图片中的4块挡片需要激光焊接在一根金属导轨上。激光需要1000w,焊接速率1m/min。图纸上的这个总成年量约10万pcs,图纸:详细,沟通后可以提供。


报名流程:

提交报名表及公司介绍PPT---全球汽贸网初审---目标买家审核---双方一对一洽谈交流


联系方式:

章女士:021-50909118/13817618315

Email:info@mdgloble.com/mdqiche@163.com